Мы используем куки-файлы. Соглашение об использовании
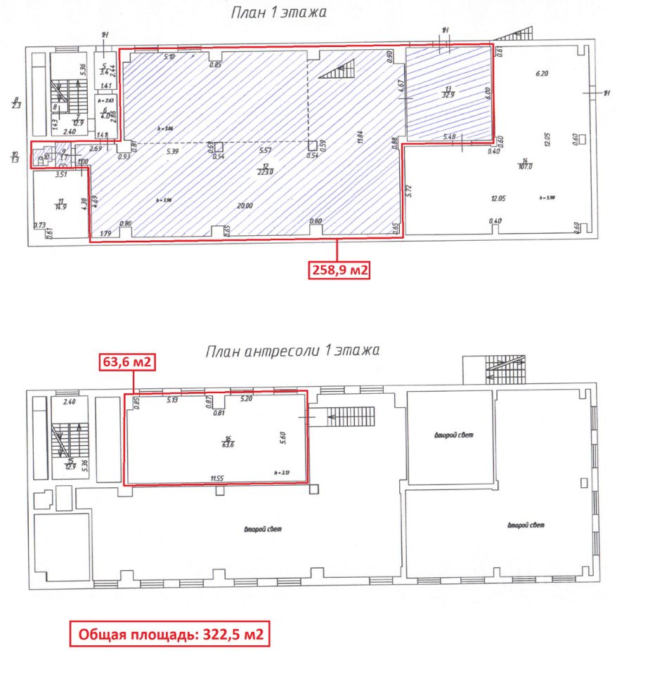
Площадь322 м²
Этаж1 из 1
Выс. потолков6.0 м.
Отчёт о привлекательности объектаУзнайте, насколько помещение и район подходят для вашего бизнеса
Что входит в отчёт
  • Охват населения
  • Пешеходный трафик
  • Автомобильный трафик
  • Средний бюджет семьи по району
  • Арендные ставки рядом
  • Точки притяжения
  • Конкуренты в радиусе 1 км
  • Рекомендации по выбору места для бизнеса
Аренда помещения площадью 322,5 м² в Санкт-Петербурге. От собственника, без комиссии. В аренду предлагается помещение в производственно-складском комплексе с инженерными коммуникациями и развитой транспортной доступностью. ________________________________________ РАСПОЛОЖЕНИЕ Адрес: дорога на Металлострой, 5 литера ПА, посёлок Металлострой, Колпинский район, Санкт-Петербург • 6 км от станции метро Рыбацкое • 30 минут до КАД • 1 час до центра города ________________________________________ ХАРАКТЕРИСТИКИ ОБЪЕКТА • Вакантная площадь 322,5 м2, состоящая из: • 1 этаж 258,9 м2 • Антресоль 1 этажа 63,6 м2 • Высота потолков: 3 - 6 м • Пол: ровный бетонный • Ворота: 2,7 х 3 м • Выделенная электрическая мощность: 100 кВт (возможно увеличение) • Отопление: собственная газовая котельная • Водоснабжение, водоотведение: центральное • Парковка: для легкового и грузового автотранспорта Дополнительно возможна аренда: - бытовые помещения, от 12 до 100 м2. - офисы, от 11 до 60 м2 - земельный участок для открытого хранения ________________________________________ КОММЕРЧЕСКИЕ УСЛОВИЯ Арендная ставка - 400 рублей/м2/мес. ________________________________________ Если вас заинтересовал объект - свяжитесь с нами, мы оперативно предоставим дополнительную информацию и организуем просмотр в удобное для вас время!
lock

Войдите или зарегистрируйтесь
для просмотра информации

Просматривайте условия сделки и всю информацию об объекте
Сохраняйте фильтры в поиске и не вводите заново
Доступ к избранному с любого устройства
Неограниченное добавление в избранное
Позвоните автору
Вам ответят на все вопросы
Остались вопросы по объявлению?
Позвоните владельцу объявления и уточните необходимую информацию.
  • Инфраструктура
  • Похожие рядом
  • Общая площадь322 м²
Автономное отопление
Помощь надёжных риелторов
Риелтор партнёр Циан поможет купить или продать любую недвижимость
Агентство недвижимости
Документы проверены
128 800 ₽/мес.

Прямая аренда (от года), минимальный срок аренды 11 месяцев, предоплата за 1 месяц

1 780 $/мес.
1 532 /мес.
Цена за метр
4 800 ₽ в год
Налог
УСН
Комиссия
нет
Коммунальные платежи
не включены
Эксплуатационные расходы
не включены
Агентство недвижимости
Документы проверены
На Циан
5 лет
Объектов в работе
86